Feedback





Carlo Gavazzi
Tidrelä DMB/PMB Multifunktion
TIDRELÄ DMB01DM24
Artikelnr: Lev. artikelnr:
4036444
DMB01DM24
för lagerstatus och pris
Funktionsbeskrivning
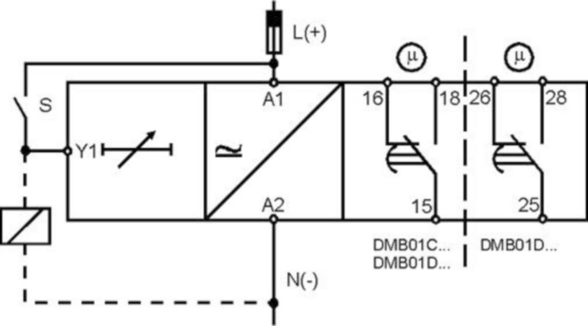
Funktion Op, tillslagsfördröjt: Tidräkningen startar då kontakten på aktiv. ingången sluts. Efter inställd tid slår reläet till oavsett om kontakten på aktiv. ingången är sluten eller bruten. Om kontakten sluts på nytt efter det att tidräkningen avslutats slår reläet från och tidräkningen startar på nytt.
Funktion In, fördröjd urkoppling:Tidräkningen startar och reläet slår till då kontakt på aktiv. gången sluts. Efter inställd tid slår reläet från oavsett om kontakten på aktiv. ingången är sluten eller bruten. Om kontakten sluts på nytt efter det att tidräkningen avslutats slår reläet till och tidräkningen startar om igen.
Funktion Dr, frånslagsfördröjt:Reläet slår till då kontakt på aktiveringsingången sluts. När kontakten bryts startar tidräkningen . Efter inställd tid slår reläet från. Om kontakten på aktiv ingången sluts under det att tidräkning pågår, återställs tidräkningen medan reläet alltjämt är tillslaget.
Blinkfunktion - Funktion R:(ON tid först), (Funktion Rb, OFF tid först) När manöverspänningen ansluts börjar tidräkningen, när tiden löpt ut drar reläet. När tiden för draget relä löpt ut faller reläet. Detta förlopp pågår så länge manöverspänningen är ansluten. Tiden för paus och gångtid är lika.
Alla relevanta data samt kopplingsschema är tydligt uppmärkta på sidan av reläerna.
Funktion Op, tillslagsfördröjt: Tidräkningen startar då kontakten på aktiv. ingången sluts. Efter inställd tid slår reläet till oavsett om kontakten på aktiv. ingången är sluten eller bruten. Om kontakten sluts på nytt efter det att tidräkningen avslutats slår reläet från och tidräkningen startar på nytt.
Funktion In, fördröjd urkoppling:Tidräkningen startar och reläet slår till då kontakt på aktiv. gången sluts. Efter inställd tid slår reläet från oavsett om kontakten på aktiv. ingången är sluten eller bruten. Om kontakten sluts på nytt efter det att tidräkningen avslutats slår reläet till och tidräkningen startar om igen.
Funktion Dr, frånslagsfördröjt:Reläet slår till då kontakt på aktiveringsingången sluts. När kontakten bryts startar tidräkningen . Efter inställd tid slår reläet från. Om kontakten på aktiv ingången sluts under det att tidräkning pågår, återställs tidräkningen medan reläet alltjämt är tillslaget.
Blinkfunktion - Funktion R:(ON tid först), (Funktion Rb, OFF tid först) När manöverspänningen ansluts börjar tidräkningen, när tiden löpt ut drar reläet. När tiden för draget relä löpt ut faller reläet. Detta förlopp pågår så länge manöverspänningen är ansluten. Tiden för paus och gångtid är lika.
Alla relevanta data samt kopplingsschema är tydligt uppmärkta på sidan av reläerna.
- Artikelnr: 4036444
- Lev. artikelnr: DMB01DM24
- Ean artikelnr: 8030956000054
- Materialklass QP581B
Teknisk data
- Typ: DMB01DM24
- Märkspänning matning vid DC: 24-240 V
- Märkspänning matning vid AC 50 Hz: 24-240 V
- Typ av elanslutning: Skruvanslutning
- Spänningstyp för manöver: AC/DC
- Tidsområde: 0.1-360000 s
- Märkspänning matning vid AC 60 Hz: 24-240 V
- Funktion fördröjning magnetisering: Ja
- Funktion fördröjning avmagnetisering: Ja
- Funktion flytande kontakt vid magnetisering: Nej
- Funktion flytande kontakt vid avmagnetisering: Nej
- Funktion stjärn-triangel: Nej
- Funktion pulsformning: Ja
- Funktion blinkning, startar med paus, fast tid: Ja
- Funktion blinkning, startar med puls, fast tid: Ja
- Klockfunktion, startar med paus, variabel: Nej
- Klockfunktion, startar med puls, variabel: Nej
- Fjärrstyrning möjlig: Nej
- Lämplig enbart för fjärrstyrning: Nej
- Påbyggbara kontaktblock: Nej
- Antal utgångar, ofördröjda, öppnande (NC - normalt stängda): 0
- Antal utgångar, ofördröjda, slutande (NO - normalt öppna): 0
- Antal utgångar, ofördröjda, växlande (CO): 0
- Antal utgångar, fördröjda, öppnande (NC - normalt stängda): 0
- Antal utgångar, fördröjda, slutande (NO - normalt öppna): 0
- Antal utgångar, fördröjda, växlande (CO): 2
- Utgångar, reversibla fördröjda/ofördröjda: Nej
- Med halvledarutgång: Nej
- Bredd: 22.5 mm
- Höjd: 83.5 mm
- Djup: 99.5 mm
- Fästes på: DIN-skena
- Reläutgång: 8A/250VAC
- Med Plug-in-uttag: Nej