Feedback





Eaton
Tryckdon med plant trycke och impuls funktion IP67, 69K
TRYCKDON PLANT SVART M22-D-S
Artikelnr: Lev. artikelnr:
3766000
Y7-216590
för lagerstatus och pris
RMQ-Titan
- Artikelnr: 3766000
- Lev. artikelnr: Y7-216590
- Ean artikelnr: 4015082165901
- Materialklass QO720B
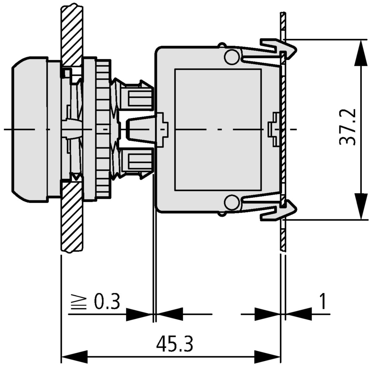
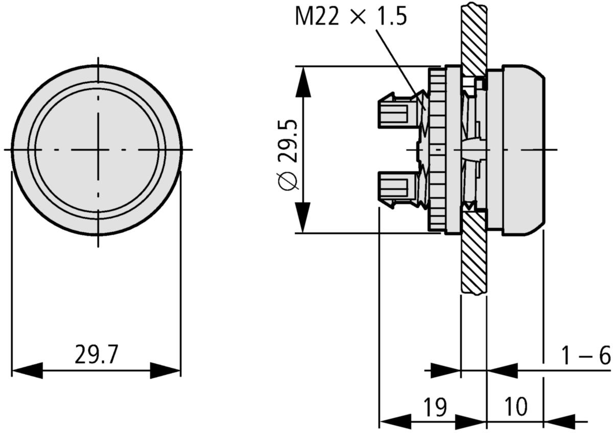
Teknisk data
- Övriga förp.storlekar: 1 ST/10 ST
- Typ: M22-D-S
- Utförande: RMQ-Titan
- Färg knapp: Svart
- Typ av knapp: Platt/Plan
- Antal manöverpositioner: 1
- Återfjädrande: Ja
- Låsbar omkopplingsfunktion: Nej
- Material frontring: Plast
- Diameter hål: 22.5 mm
- Färg frontring: Krom
- Kapslingsklass (IP) framsida: IP67/IP69K
- Med frontring: Ja
- Lämplig för belysning: Nej
- Typ av lins: Rund
- Höjd öppning: 0 mm
- Bredd öppning: 0 mm
- Med etikett: Nej
- Med skyddshölje: Nej
- Skyddsnivå (NEMA), framsida: 4X
- REACH Datum: 2023-08-23
- REACH Informationsplikt: Nej