Feedback
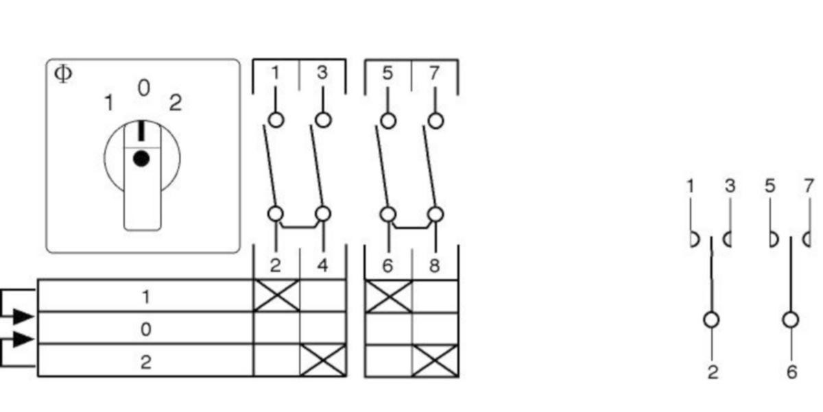
Kopplingsbild A215
- Artikelnr: 3134759
- Lev. artikelnr: 70011985
- Ean artikelnr: 9004257184477
- Materialklass QO280B
Teknisk data
- Typ: CG4 A215-600 E
- Utförande: 3-hål, panel
- Antal poler: 1
- Max. märkdriftspänning Ue vid AC: 440 V
- Märkström kontinuerlig Iu: 10 A
- Antal omkopplarpositioner: 3
- Med 0-läge (av): Ja
- Retur i 0-position: Ja
- Apparatbyggsätt: Inbyggd enhet
- Frontskyltstorlek: 30x30 mm
- Komplett apparat i kapsling: Nej
- Kapslingsklass (IP) framsida: IP40
- Lämplig för golvmontering: Nej
- Lämplig för frontmontage: Ja
- Typ av kontrollelement: Vred

